硝基复合肥生产新技术的应用

奥普乐农资2025-10-13 08:41100 阅读10 赞

一、硝基复合肥有哪些优点?

环保性能优越硝基复合肥减少养分流失,降低因反硝化作用产生的温室气体(如N?O)排放。其生产工艺(如熔融造粒法)实现清洁生产,无三废排放,符合国家环保政策要求。增产与品质提升效果显著与施用单质氮肥相比,硝基复合肥可增产8%-25%,同时优化农产品品质。例如,增加蛋白质、可溶性糖分和维生素含量,

硝基复合肥有哪些优点?

二、什么是硝基复合肥

硝基复合肥近年来在我国迅速发展,这是由于硝酸铵的改性促进了其生产技术的研究开发。这类肥料同时含有氮、磷、钾等作物生长所需营养元素,养分均衡,有效成分含量高,适用于多种经济作物、油料作物、旱地作物的基肥和追肥,广泛适用于各种类型的土壤,还能节省大量肥料包装、运输、存储及施肥的费用。这种肥料...

三、硝基复合肥适合旱田作物吗?

在旱田作物中,硝态氮的吸收利用率尤其高,特别适合油菜、小麦、青菜、萝卜等多种旱地作物。川金象生产的象牌硝基复合肥采用了高塔造粒技术,这种工艺能够确保肥料颗粒均匀,提高肥料的稳定性,从而增强肥效。与普通肥料相比,这种肥料的效果更为显著,特别是在小春作物的生长周期中,能够更好地满足作物的营...

硝基复合肥适合旱田作物吗?

四、硝基复合肥的特点和作用是什么?这才是最全解答

硝基复合肥的肥料利用率较高。硝酸盐中的氮元素不易损失,能够在土壤中稳定存在,并被植物有效吸收利用。这种高效的利用率可以减少肥料的浪费,降低农业生产成本,同时减少对环境的负面影响。3. 硝基复合肥的作用 3.1 促进植物生长 硝基复合肥中的氮元素是植物生长所必需的重要营养元素之一。它参与植物体...

硝基复合肥的特点和作用 硝基复合肥使用禁忌

特点: 高浓度:硝基复合肥是以硝酸铵为氮源,添加磷、钾等复肥原料生产的高浓度复合肥料。 高效利用:肥料利用率高,与施用同量单质氮肥相比,增产幅度可达825%。 增产效果显著:具有显著的增产效果,适用于烟草、玉米、瓜果、蔬菜、果树等经济作物。 优化农产品品质:能增加蛋白质、可溶性糖分和维生素...

不辱使命!贵州金正大,10年造就磷化工创新高地

此外,贵州金正大在磷资源高效利用方面也取得了多项创新成果。如“一步法”工艺生产聚磷酸钙镁、“管式聚合”工艺生产聚磷酸铵、湿法磷酸分级技术利用制取水溶肥、中低品位磷矿制取硝基复合肥等。这些新技术的应用,使得产品附加值相比传统产品工艺提升了2.5倍以上。三、补链强链,再铸辉煌 贵州金正大在...

年产30万吨高塔建成!中启禾肥业功能性复合肥布局又添恢宏一笔!百度知 ...

中启禾肥业一直致力于硝基高塔工艺下的现代肥料合成和作物营养技术的研发、创新。公司拥有一支专业的研发团队,致力于生产更加优质高效的复合肥产品。通过不断的技术创新和产品升级,中启禾肥业在功能性复合肥领域取得了显著成果,为行业发展注入了新的活力。三、精准定位,聚焦调土修土 在当前农业的大形势下...

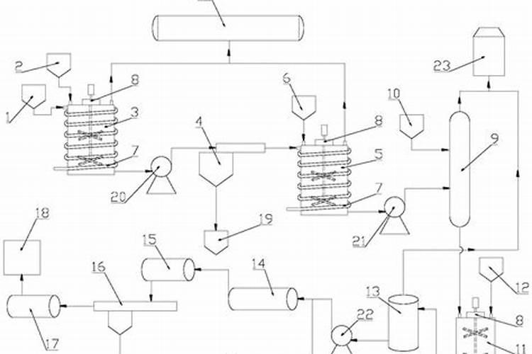
硝基复合肥生产方法

硝基复合肥的生产方法主要包含以下三种:以硝酸铵为原料的生产方式:过程描述:首先通过氨与硝酸加压中和形成硝酸铵溶液。之后,可以将此溶液浓缩至90%95%的浓度后喷入转鼓造粒机,与磷或钾肥合成颗粒;或者将硝酸铵溶液浓缩至98%以上的浓度,再与磷或钾肥反应,通过高塔造粒生成含有N、P或K的硝酸铵磷、...

复合肥造粒方法

高塔熔体旋转造粒法生产高浓度硝基复合肥。该技术系将硝尿磷钾熔体从造粒塔顶喷出,在塔内降落过程中边冷却边团聚成粒,这也叫熔融造粒法,在硝铵生产企业采用高塔熔融造粒法生产复合肥有如下好处:一是可直接利用硝铵浓溶液,省去了硝铵浓溶液的喷浆造粒过程,以及固体硝铵制复混肥料时的破碎操作,简化了...

热点